Planetary Slewing Drive Gearbox for Mining Crawler Cranes
A planetary slewing drive gearbox is a sophisticated mechanical transmission system engineered specifically for enabling precise rotational movement in heavy-duty equipment, such as mining crawler cranes. It integrates a compact planetary gear arrangement with a slewing ring bearing, delivering exceptional torque output while maintaining high efficiency and load-bearing capacity in demanding environments. The planetary configuration consists of a central sun gear surrounded by multiple planet gears that orbit within an outer ring gear, allowing for multi-stage reduction ratios that optimize power transmission from hydraulic or electric motors to the crane’s superstructure.
A planetary slewing drive gearbox is a sophisticated mechanical transmission system engineered specifically for enabling precise rotational movement in heavy-duty equipment, such as mining crawler cranes. It integrates a compact planetary gear arrangement with a slewing ring bearing, delivering exceptional torque output while maintaining high efficiency and load-bearing capacity in demanding environments. The planetary configuration consists of a central sun gear surrounded by multiple planet gears that orbit within an outer ring gear, allowing for multi-stage reduction ratios that optimize power transmission from hydraulic or electric motors to the crane's superstructure. In the context of mining crawler cranes, this slewing gearbox is vital for facilitating 360-degree slewing operations under extreme loads, harsh weather, and rugged terrains typical of open-pit or underground mining sites.

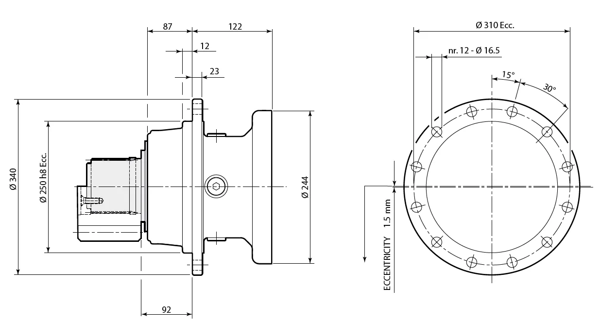
Planetary Slewing Drive Dimensions
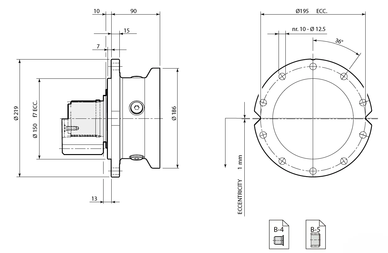
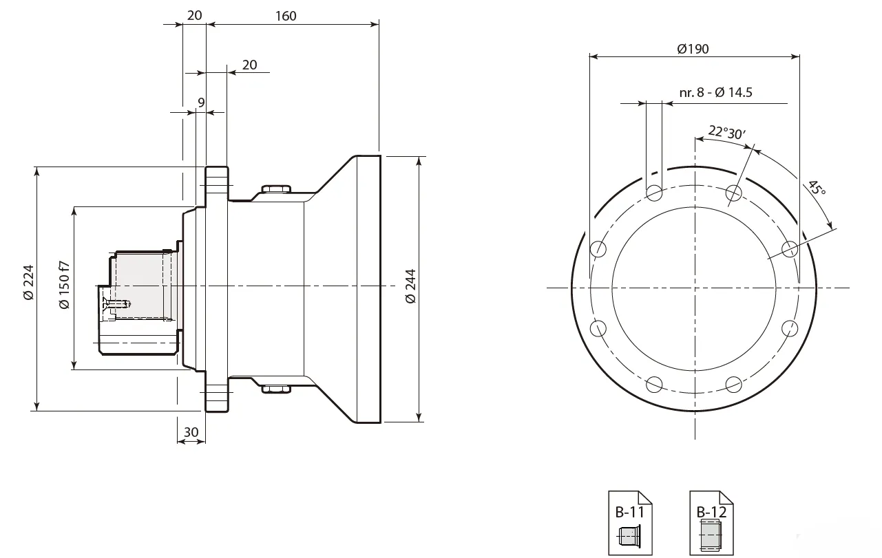
RE 240
Support: DBS

Support: Tecc

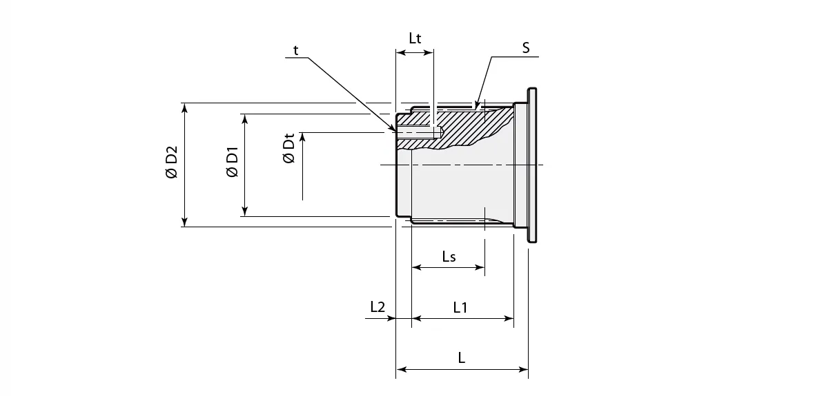
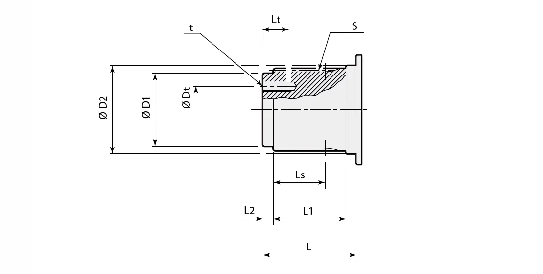
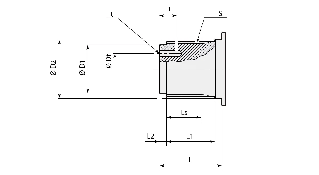
Splined Shaft:

| Supporto Support | ØD1 | ØD2 | S | Ls | L | L1 | L2 | t | ØDt | Lt |
| [ mm ] | ||||||||||
| DBS | 50 h7 | 60 h6 | DIN5482 B58x53 | 37 | 68.3 | 50 | 8 | M10 (n° 3) | 32 | 21 |
| Tecc | 50 h7 | 60 h6 | DIN5482 B58x53 | 37 | 68.3 | 50 | 8 | M10 (n° 3) | 32 | 21 |
Pinions:

| Support | m | z | x | ØDE | BU | a | S | t | Tmax | |
| [mm] | Static [Nm] | Dynamic [Nm] | ||||||||
| DBS | 6 | 15 | 0.5 | 108 | 88 | 2 | - | - | 6000 | 5400 |
| 8 | 9 | 0.5 | 95.2 | 96 | 0.5 | - | - | 5000 | 4500 | |
| 10 | 11 | 0.5 | 137 | 68 | 2 | - | - | 6300 | 5670 | |
| 14 | 13 | 0.5 | 224 | 70 | 2 | DIN5482 B58x53 | M10 (n° 3) | 6300 | 5670 | |
| Tecc | 6 | 18 | 0 | 120 | 70 | 13.5 | DIN5482 B58x53 | M10 (n° 3) | 6000 | 5400 |
| 8 | 10 | 0.5 | 104 | 80 | 13.5 | - | - | 5000 | 4500 | |
| 8 | 14 | 0.5 | 136 | 80 | 23.5 | DIN5482 B58x53 | M10 (n° 3) | 6300 | 5670 | |
| 10 | 13 | 0 | 150 | 80 | 3.5 | DIN5482 B58x53 | M10 (n° 3) | 6300 | 5670 | |
| 14 | 13 | 0,5 | 224 | 70 | 2 | DIN5482 B58x53 | M10 (n° 3) | 6500 | 5670 | |
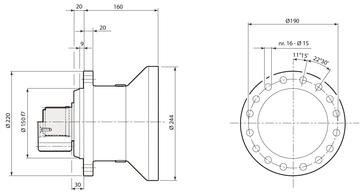
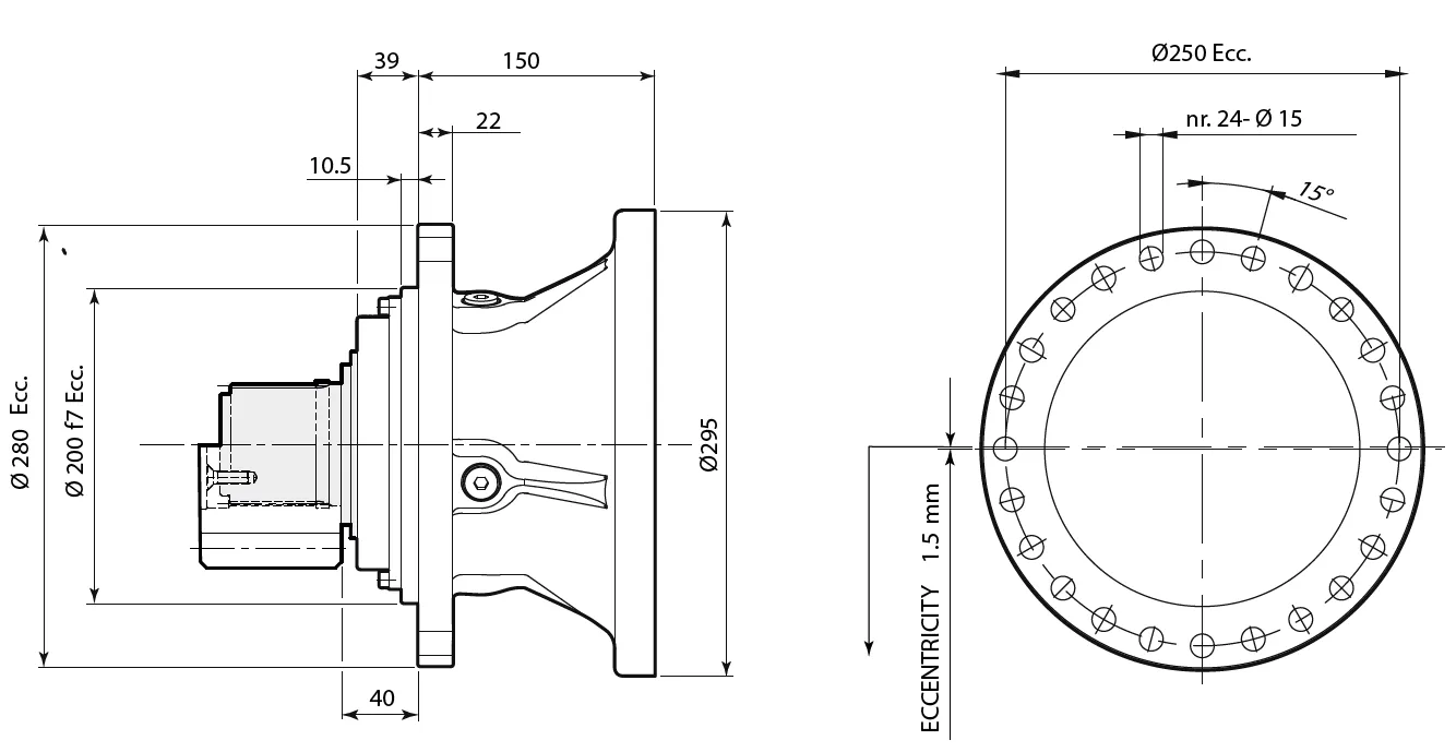
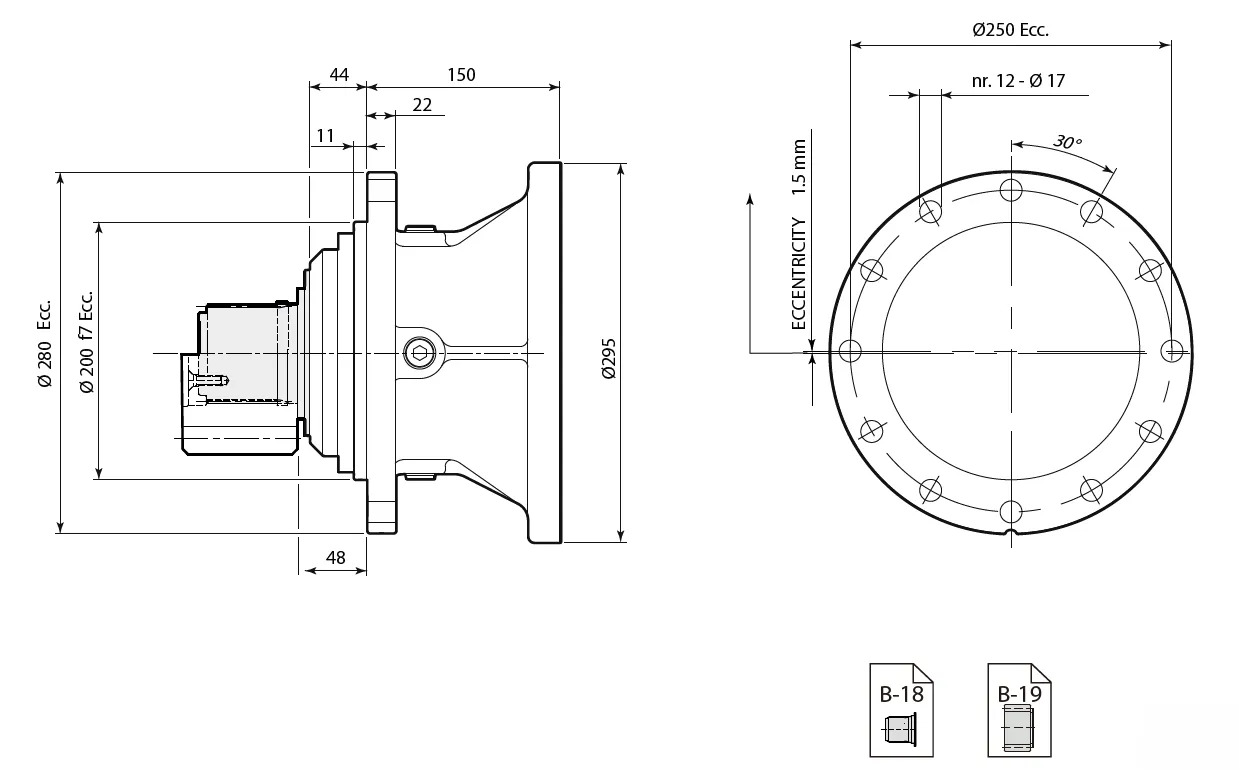
RE 310/510
Support: DBS

Support: Tecc

Support: T6

Support: T8

Support: T18

Support: NR

Support: NR3

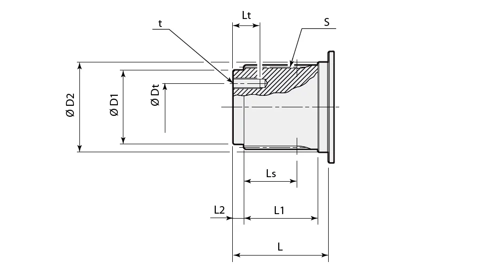
Shaft:

| Support | ØD1 | ØD2 | S | Ls | L | L1 | L2 | t | ØDt | Lt |
| [ mm ] | ||||||||||
| DBS | 50 h7 | 60 h6 | DIN5482 B58x53 | 46 | 78 | 60 | 8 | M10 (n° 3) | 32 | 20 |
| Tecc | 50 h7 | 60 h6 | DIN5482 B58x53 | 46 | 78 | 60 | 8 | M10 (n° 3) | 32 | 20 |
| T6 | 50 h7 | 60 h6 | DIN5482 B58x53 | 46 | 78 | 60 | 8 | M10 (n° 3) | 32 | 20 |
| T8 | 50 h7 | 60 h6 | DIN5482 B58x53 | 46 | 78 | 60 | 8 | M10 (n° 3) | 32 | 20 |
| T18 | 62 F7 | 72 F7 | DIN5482 B70x64 | 51 | 90 | 70 | 10 | M10 (n° 3) | 40 | 22 |
| NR | 50 h7 | 60 h6 | DIN5482 B58x53 | 37 | 68.5 | 50 | 8 | M10 (n° 3) | 32 | 20 |
| NR3 | 50 h7 | 60 h6 | DIN5482 B58x53 | 37 | 68.5 | 50 | 8 | M10 (n° 3) | 32 | 20 |
Pinions:

| Support | m | z | x | ØDE | BU | a | S | t | Tmax | |
| [mm] | Static [Nm] | Dynamic [Nm] | ||||||||
| DBS | 8 | 11 | 0.5 | 112.2 | 78 | 7 | - | - | 10500 | 9450 |
| 9 | 13 | 0.5 | 144 | 75 | 7 | - | - | 10500 | 9450 | |
| 10 | 11 | 0.5 | 137 | 78 | 7 | - | - | 10500 | 9450 | |
| 10 | 15 | 0 | 170 | 90 | 10 | - | - | 10500 | 9450 | |
| 12 | 10 | 0.5 | 155 | 95 | 7 | - | - | 10500 | 9450 | |
| 12 | 11 | 0.5 | 166.8 | 80 | 7 | - | - | 10500 | 9450 | |
| Tecc | 6 | 13 | 0.65 | 97.2 | 65 | 27 | - | - | 6900 | 6210 |
| 8 | 11 | 0.5 | 111.2 | 88 | 4 | - | - | 8300 | 7470 | |
| 8 | 15 | 0 | 136 | 75 | 11 | DIN5482 B58x53 | M10 (n° 3) | 10400 | 9360 | |
| 10 | 10 | 0.5 | 130 | 90 | 3 | - | - | 9500 | 8550 | |
| 14 | 14 | 0.5 | 236.6 | 100 | 1 | DIN5482 B58x53 | M10 (n° 3) | 10500 | 9450 | |
| T6 T8 | 10 | 13 | 0.6 | 161 | 86 | 17 | - | - | 10500 | 9450 |
| 10 | 14 | 0.5 | 168 | 80 | 2.5 | - | - | 10500 | 9450 | |
| 10 | 12 | 0.55 | 150.5 | 93 | 3 | - | - | 10500 | 9450 | |
| 12 | 10 | 0.5 | 155 | 108 | 5.5 | - | - | 10500 | 9450 | |
| T18 | 8 | 14 | 0 | 128 | 79.5 | 16 | DIN5482 B70x64 | M10 (n° 3) | 10500 | 9450 |
| 10 | 14 | 0.32 | 166.4 | 90 | 15 | 13200 | 11880 | |||
| 12 | 13 | 0.5 | 192 | 80 | 21 | 13200 | 11880 | |||
| 14 | 15 | 0.5 | 250.6 | 105 | 6 | 13200 | 11880 | |||
| NR NR3 | 5 | 22 | 0 | 120 | 50 | 27.5 | DIN5482 B58x53 | M10 (n° 3) | 9250 | 8325 |
| 8 | 11 | 0.5 | 110.8 | 79 | 10.5 | - | - | 9250 | 8325 | |
| 8 | 16 | 0.5 | 149.5 | 73 | 20.5 | - | - | 9250 | 8325 | |
| 10 | 11 | 0.5 | 139 | 100 | 12 | - | - | 9250 | 8325 | |
| 10 | 12 | 0.5 | 149 | 90 | 19.5 | - | - | 9250 | 8325 | |
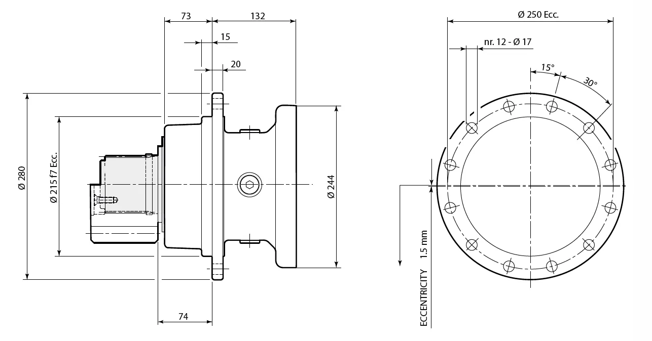
RE 610
Support: DBS

Support: DBS2

Support: T18

Shaft:

| Support | ØD1 | ØD2 | S | Ls | L | L1 | L2 | t | ØDt | Lt |
| [ mm ] | ||||||||||
| DBS | 62 h7 | 72 h6 | DIN5482 B70x64 | 51 | 90 | 70 | 10 | M10 (n° 3) | 40 | 22 |
| DBS2 | 62 h7 | 72 h6 | DIN5482 B70x64 | 51 | 90 | 70 | 10 | M10 (n° 3) | 40 | 22 |
| T18 | 62 f7 | 72 f7 | DIN5482 B70x64 | 51 | 90 | 70 | 10 | M10 (n° 3) | 40 | 22 |
Pinions:

| Support | m | z | x | ØDE | BU | a | S | t | Tmax | |
| [mm] | Static [Nm] | Dynamic [Nm] | ||||||||
| DBS DBS2 | 8 | 14 | 0 | 128 | 79.5 | 15 | DIN 5482 B70x64 | M10 (n° 3) | 17500 | 15750 |
| 10 | 12 | 0.5 | 150 | 78 | 5 | - | - | 21500 | 19350 | |
| 10 | 13 | 0.5 | 160 | 85 | 19 | DIN 5482 B70x64 | M10 (n° 3) | 21000 | 18900 | |
| 10 | 14 | 0.5 | 170 | 90 | 5 | - | - | 24000 | 21600 | |
| 12 | 10 | 0 | 144 | 100 | 5 | - | - | 18500 | 16650 | |
| 12 | 12 | 0.5 | 180 | 100 | 5 | DIN 5482 B70x64 | M10 (n° 3) | 24000 | 21600 | |
| 12 | 14 | 0.5 | 204 | 105 | 5 | - | - | 24000 | 21600 | |
| 14 | 11 | 0.5 | 194.6 | 105 | 4 | - | - | 24000 | 21600 | |
| T18 | 8 | 20 | 0 | 176 | 115 | 15 | DIN 5482 B70x64 | M10 (n° 3) | 14500 | 13050 |
| 10 | 11 | 0.681 | 141 | 85 | 6 | - | - | 12000 | 10800 | |
| 12 | 10 | 0.5 | 156 | 120 | 6 | - | - | 12000 | 10800 | |
| 12 | 11 | 0.525 | 168.61 | 110 | 6 | - | - | 13500 | 12150 | |
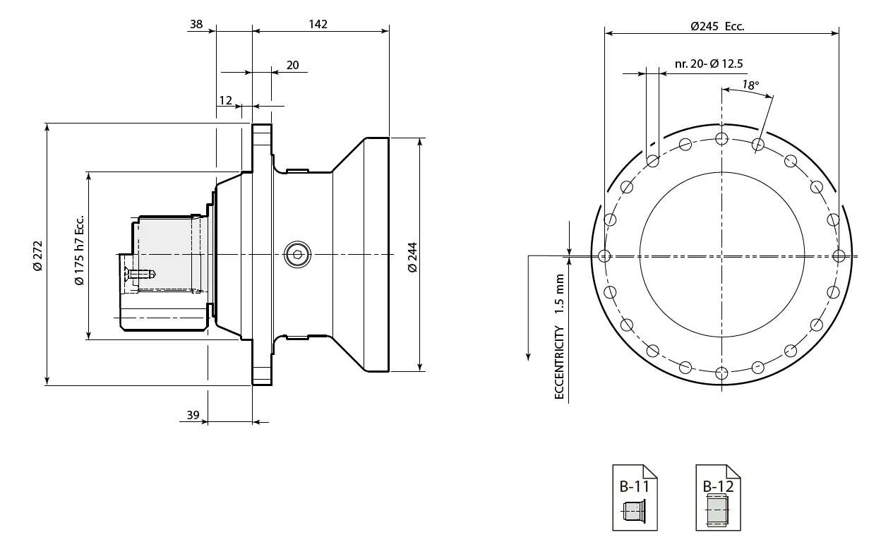
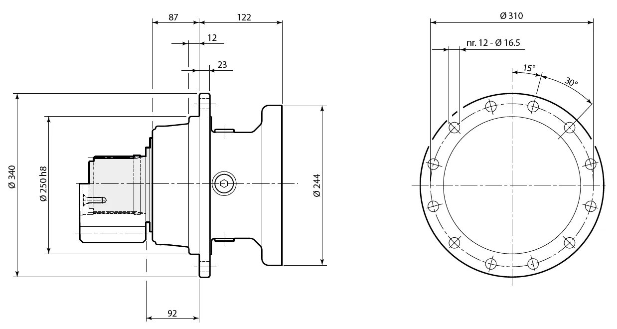
RE 810
Support: Tecc

Support: TRecc

Shaft:

| Support | ØD1 | ØD2 | S | Ls | L | L1 | L2 | t | ØDt | Lt |
| [ mm ] | ||||||||||
| Tecc | 62 f7 | 72 f7 | DIN5482 B70x64 | 51 | 90 | 70 | 10 | M10 (n° 3) | 40 | 22 |
| TRecc | ||||||||||
Pinions:

| Support | m | z | x | ØDE | BU | a | S | t | Tmax | |
| [mm] | Static [Nm] | Dynamic [Nm] | ||||||||
| Tecc | 8 | 14 | 0 | 128 | 79.5 | 11.5 | DIN 5482 B70x64 | M10 (n° 3) | 10500 | 9450 |
| 9 | 15 | 0 | 152.64 | 101 | 6.5 | - | - | 12500 | 11250 | |
| 10 | 14 | 0.5 | 169 | 90 | 1.5 | DIN 5482 B70x64 | M10 (n° 3) | 14500 | 13050 | |
| 12 | 13 | 0.5 | 192 | 95 | 32.5 | 13500 | 12150 | |||
| 14 | 15 | 0.5 | 250.6 | 105 | 1.5 | 21000 | 18900 | |||
| TRecc | 8 | 15 | 0.3 | 140 | 80 | 13.5 | DIN 5482 B70x64 | M10 (n° 3) | 15200 | 13680 |
| 10 | 13 | 0.5 | 160 | 90 | 5.5 | - | - | 17800 | 16020 | |
| 10 | 18 | 0 | 198 | 80 | 5.5 | - | - | 23800 | 21420 | |
| 12 | 12 | 0.5 | 180 | 100 | 3.5 | DIN 5482 B70x64 | M10 (n° 3) | 19000 | 17100 | |
| 12 | 14 | 0.5 | 199 | 100 | 33.5 | 16000 | 14400 | |||
Advantages of Planetary Slewing Drive for Mining Crawler Cranes
- High Torque Output for Heavy Loads
The planetary slewing drive delivers exceptional torque, making it ideal for mining crawler cranes that handle massive weights. Its multi-stage gear reduction system efficiently amplifies input power, ensuring reliable 360-degree rotation, even under extreme loads and challenging mining conditions like open-pit or underground operations. - Compact and Space-Saving Design
The integration of a planetary gear system and slewing ring bearing allows for a compact design that saves valuable space in mining equipment. This compactness is crucial for crawler cranes, as it minimizes the overall weight and size without compromising on performance or load-bearing capacity. - Enhanced Durability in Harsh Environments
Planetary slewing gearboxes are built to withstand the harsh conditions of mining sites, including extreme temperatures, abrasive dust, and heavy vibrations. The robust materials and engineering ensure long-term durability, reducing maintenance frequency and downtime, which is critical for mining operations’ continuous productivity. - Precision and Smooth Operation
The advanced planetary gear configuration ensures precise rotational movement and smooth operation of the crane’s superstructure. This precision is vital for handling delicate tasks or positioning heavy loads accurately, even in rugged terrains, ensuring safety and efficiency in mining applications. - Flexible Power Input Options
These planetary slewing drive gearboxes are compatible with both hydraulic and electric motors, offering flexibility in power input. This adaptability allows mining crawler cranes to operate efficiently with different power systems, optimizing energy usage while maintaining high performance in a variety of operational scenarios. - High Efficiency and Reduced Energy Loss
The planetary configuration minimizes energy loss through efficient power transmission. Its gear arrangement evenly distributes loads across multiple contact points, reducing wear and improving energy efficiency. This translates to lower operational costs and better energy utilization, making it a cost-effective solution for mining crawler cranes.

Applications of Slewing Drive Planetary Gearboxes
1. Mining Crawler Cranes
Slewing drive planetary gearboxes are integral to mining crawler cranes, enabling precise 360-degree rotation of the superstructure under heavy loads. They allow cranes to efficiently lift and position massive materials in rugged mining environments, ensuring reliability and performance in both open-pit and underground mining operations.
2. Wind Turbines
These planetary gearboxes are widely used in wind turbines to drive the yaw and pitch systems. They ensure the turbine blades are positioned accurately to capture maximum wind energy, even in challenging weather conditions. Their durability and efficiency make them indispensable for maintaining consistent energy output in renewable energy systems.
3. Aerial Work Platforms (AWPs)
Planetary slewing gearboxes provide smooth and precise rotational movement for aerial work platforms, ensuring safe and stable positioning at elevated heights. Their compact design and high torque capabilities allow AWPs to operate efficiently in construction, maintenance, and repair tasks across various industries.
4. Excavators and Heavy-Duty Construction Equipment
In excavators and other heavy-duty construction equipment, these planetary slewing drive gearboxes enable precise rotation of the machine's upper structure. They enhance maneuverability and ensure efficient handling of heavy materials on construction sites, even in tight spaces or challenging terrains, improving overall operational efficiency.
5. Marine Cranes and Offshore Equipment
Designed to withstand harsh marine environments, slewing drive gearboxes are used in marine cranes and offshore equipment. They provide reliable rotation for handling heavy cargo or machinery on ships and oil rigs, ensuring stability and performance in corrosive and high-salt conditions.
6. Solar Tracking Systems
In large solar power installations, these planetary slewing gearboxes are used in solar tracking systems to enable precise movement of solar panels. They allow panels to follow the sun's path throughout the day, maximizing energy capture and improving the overall efficiency of solar power generation systems.
![]() | ![]() |
| Planetary Slewing Drive for Deck Cranes | Planetary Slewing Drive for Truck-Mounted Cranes |
![]() | ![]() |
| Planetary Slewing Drive for Telehandlers | Planetary Slewing Drive for Wind Turbines |
Planetary Slewing Drives Vs. Planetary Winch Drives
Planetary slewing drives and planetary winch drives are advanced mechanical systems used in heavy-duty machinery, but they serve distinct purposes and operate in different ways. Understanding their differences is crucial for selecting the right system for specific applications.
1. Purpose and Functionality
Planetary slewing drives are designed for rotational movement, enabling 360-degree rotation of heavy equipment. They are typically used in applications such as mining crawler cranes, wind turbines, and solar tracking systems, where precise and continuous rotation of a superstructure or load is essential. In contrast, planetary winch drives are engineered for lifting and pulling operations, delivering high torque to reel in or release cables. These drives are commonly found in winches on cranes, marine vessels, and construction equipment.
2. Load Management
Slewing drives are optimized for managing heavy radial and axial loads while maintaining rotational movement. They are paired with slewing bearings to handle extreme forces in applications like cranes or excavators. Planetary winch drives, however, are built to handle linear pulling forces, ensuring high efficiency in lifting or dragging heavy loads vertically or horizontally.
3. Design and Structure
While both systems utilize planetary gear configurations for compactness and high torque output, slewing drives integrate a slewing ring bearing for rotational stability. On the other hand, winch drives are designed to connect directly to drums or cables, focusing on cable tension and smooth winding operations.
4. Applications
Slewing drives are ideal for industries requiring rotational precision, such as renewable energy and construction. Winch drives are essential in industries like shipping, offshore drilling, and heavy-duty lifting.
![]() | ![]() |
| Planetary Slewing Drives | Planetary Winch Drives |
Additional information
| Edited by | Yjx |
|---|










