Planetaire tandwielkast uit de S-serie ter vervanging van zwenkaandrijvingen uit de Bonfiglioli S-serie.
A S series planetary gearbox serves as a high-performance replacement for the Bonfiglioli S series slewing drives, offering comparable reliability and efficiency in demanding industrial applications. Designed to deliver robust torque transmission and precise rotational control, this planetary slewing gearbox is engineered for seamless integration into cranes, excavators, forestry machinery, and other specialized equipment where space constraints are critical. With a gear ratio range of 23-187, it ensures optimal speed reduction and torque multiplication, enhancing operational safety and productivity.
A S series planetary gearbox serves as a high-performance replacement for the Bonfiglioli S series slewing drives, offering comparable reliability and efficiency in demanding industrial applications. Designed to deliver robust torque transmission and precise rotational control, this planetary slewing gearbox is engineered for seamless integration into cranes, excavators, forestry machinery, and other specialized equipment where space constraints are critical. With a gear ratio range of 23-187, it ensures optimal speed reduction and torque multiplication, enhancing operational safety and productivity.

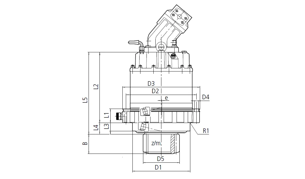
S Series Slewing Drive Dimensions

| Model | L1 | L2 | L3 | L4 | L5 | D1 | D2 | D3 | D4 | e | R1 |
| S5 | 60 | 262 | 31 | 40 | 302 | 175 | 260 | 288 | 12x17.5 | – | 6 |
| S7 | 60 | 296 | 31 | 40.5 | 336.5 | 230 | 285 | 322 | 12x17.5 | – | 6 |
| S10 | 60 | 306.5-314 | 36 | 50 | 356.5- 364 | 250 | 305 | 335 | 18x17.5 | – | 4 |
| S13 | 71 | 340 | 30(50)4 | 55(75)4 | 395(415)4 | 275 | 335 | 370 | 20x17.5 | 1 | 4 |
| S17 | 86 | 355 | 50.5 | 55 | 410 | 275 | 335 | 370 | 20x17.5 | – | 4 |
| Model | Verhouding | Hydraulic Motor | Multi-disc brake | Output gear | Gewicht zonder motor | |
| Braking Torque | Minimum Release Pressure | |||||
| i | ccw | Nm | bar | z/m - B - D5 | kg | |
| S5 | 25-33 | 28-30-32 | 310 | 14 | 10/10 10/10 11/10 14/8 15/6.35 95 79 79 69 77 - - 130 130 143 134 112 | 68 |
| S7 | 23-27-33 | 45-56-63 | 475 | 14 | 10/11 12/10 13/10 13/10 79 79 79 98 - - 141 151 158 155 | 98 |
| S10 | 24-27-31-36 | 45-56-63- 80-90 | 475 | 14 | 12/12 13/10 13/10 13/10 13/12 13/12 90 85 94.5 100 110 90 - 184 158 155 158 190 195 | 108-123 |
| S13 | 36 | 56-63-80- 90 | 740 | 18 | 10/14 11/14 12/12 13/12 13/124 14/12 14/12 99 99 99 88 110 110 110 181 198 184 195 1904 199 201 | 147 |
| S17 | 33 | 80-90 | 890 | 18 | 11/14 11/16 12/12 13/124 13/14 14/16 109 109 104 110 122 150 - 198 220 184 1904 221 273 | 168 |

| Model | L1 | L2 | L3 | L4 | L5 | D1 | D2 | D3 | D4 | e | R1 |
| S20 | 57 | 403 | 16 | 252 | 775 | 280 | 350 | 380 | 18 | – | – |
| S30 | 332 | 737 | 33 | 65 | 802 | 350 | 415 | 450 | 24x22 | – | 1.6 |
| S34 | 332 | 785 | 33 | 65 | 808 | 350 | 415 | 450 | 24x22 | – | 1.6 |
| S35 | 239 | 653 | 30 | 91 | 744 | 400 | 460 | 500 | 24x26 | 2 | 10 |
| S40 | 64 | 625 | 16 | 245 | 721 | 282 | 375 | 410 | 18 | – | – |
| Model | Verhouding | Hydraulic Motor | Multi-disc brake | Output gear | Weight without moto | |||||||
| Braking Torque | Minimum Release Pressure | |||||||||||
| i | ccw | Nm | bar | z/m - B - D5 | kg | |||||||
| S20 | 103-79 | 45 | 553 | 18 | 13/16 120 249 | - | - | - | - | - | - | 260 |
| S30 | 45 | 125 | 1,030 | 18 | 12/16 154 243 | - | - | - | - | - | - | 540 |
| S34 | 45 | 160 | 1,030 | 18 | 12/16 154 243 | - | - | - | - | - | - | 480 |
| S35 | 35 | 180 | 1,030 | 18 | 12/18 160 274 | - | - | - | - | - | - | 528 |
| S40 | 62 | 90 | 574 | 18 | 12/16 100 235 | - | - | - | - | - | - | 274 |

| Model | L1 | L2 | L3 | L4 | L5 | D1 | D2 | D3 | D4 | e | R1 |
| S54 | 610 | 780 | 40 | 87 | 917 | 460 | 520 | 562 | 24x26 | – | – |
| S60 | – | 830 | 40 | 132 | 962 | 460 | 520 | 562 | 26 | – | – |
| S62 | 60 | 735 | 20 | 28 | 763 | – | – | – | – | – | – |
| S90 | 80 | 730 | 173 | 199 | 929 | 500 | 640 | 690 | 18x30 | – | – |
| S130 | 578 | 622 | 95 | 160 | 1012 | 630 | 675 | 715 | 34x26 | – | – |
| Model | Verhouding | Hydraulic Motor | Multi-disc brake | Output gear | Weight without moto | |||||||
| Braking Torque | Minimum Release Pressure | |||||||||||
| i | ccw | Nm | bar | z/m - B - D5 | kg | |||||||
| S54 | 48 | 180-200 | 1,200 | 38 | 13/22 230 357 | 12/20 188 301 | - | - | - | - | - | 867 |
| S60 | 62 | 80 | 1,200 | 38 | 13/22 228 356 | - | - | - | - | - | - | |
| S62 | 187 | 80 | 533 | 18 | 14/20 160 335 | - | - | - | - | - | - | 564 |
| S90 | 39 | 355-200 | 3,000 | 14 | 16/24 182 464 | 16/22 177 422 | - | - | - | - | - | 1,225 |
| S130 | 67 | Electric4 | 2,300 | 22.5 | 13/30 230 480 | - | - | - | - | - | - | 2,276 |
Key Features of S Series Planetary Slewing Drives
- Tight Structure
The S Series planetary slewing drives feature a compact and space-efficient design that allows seamless integration into constrained environments such as cranes, excavators, and forestry equipment, ensuring optimal performance without compromising on installation flexibility or operational efficiency in demanding industrial applications. - Superior Performance
Engineered for exceptional reliability and efficiency, these planetary slew drives deliver consistent torque transmission and rotational precision under heavy loads, enhancing productivity in construction and mining operations while minimizing energy consumption and operational downtime for long-term cost savings. - Markless Tooth Root Grinding
Utilizing advanced markless tooth root grinding technology, the planetary gearbox achieves smoother gear meshing and reduced wear, which extends the service life of components, improves noise reduction, and maintains high accuracy in motion control for precision-dependent machinery tasks. - Integrated Brake
The built-in braking system provides immediate and secure stopping capabilities, enhancing safety during operations with heavy machinery like excavators and cranes, while also offering easy maintenance access and compatibility with automated control systems to prevent unintended movements. - Compatible with Various Hydraulic Motors
Designed for versatility, the S Series slewing drive planetary gearbox supports integration with a wide array of hydraulic motors from leading manufacturers, allowing customization based on specific application needs and ensuring efficient power transfer in diverse environments such as marine or agricultural settings. - Hoog koppelvermogen
With robust planetary gearing, these planetary slewing gearboxes offer superior torque output ranging up to 130,000 Nm, enabling handling of extreme loads in rugged conditions, while providing excellent shock resistance and thermal management for sustained performance in high-stress industrial scenarios.

Slewing Drive Planetary Gearbox Applications
- Construction Cranes
Slewing drive planetary gearboxes are essential in construction cranes, providing precise rotational control and high torque for lifting heavy loads, ensuring stability and safety in urban building projects while accommodating compact designs that fit within limited operational spaces on job sites. - Excavators and Earthmoving Equipment
In excavators, these planetary slew drives enable smooth slewing motions for digging and material handling, offering robust performance under extreme loads and vibrations, which enhances efficiency in mining and infrastructure development by reducing wear and extending equipment lifespan. - Forestry Machinery
Utilized in forestry harvesters and forwarders, planetary slewing gearboxes facilitate accurate boom and head rotations, delivering superior torque in rugged terrains, thereby improving productivity in logging operations while maintaining reliability in harsh environmental conditions like mud and debris. - Wind Turbine Systems
These planetary gearboxes play a critical role in wind turbines for yaw and pitch control, allowing optimal blade orientation to capture wind energy efficiently, with their high gear ratios ensuring minimal backlash and long-term durability against constant wind forces and variable speeds. - Solar Tracking Devices
In solar panel trackers, planetary slewing drive gearboxes enable precise dual-axis movement to follow the sun's path, maximizing energy output through enhanced positioning accuracy, which is vital for large-scale photovoltaic installations seeking to optimize renewable energy harvesting in diverse climates. - Marine- en offshore-uitrusting
Applied in marine cranes and offshore platforms, these planetary slewing drives provide reliable slewing for cargo handling and positioning, with sealed designs resisting corrosion from saltwater, ensuring operational safety and efficiency in demanding maritime environments involving heavy waves and loads.
![]() | ![]() |
| Planetaire zwenkaandrijving voor rupskranen | Planetaire zwenkaandrijving voor graafmachines |
![]() | ![]() |
| Planetaire zwenkaandrijving voor windturbines | Planetaire zwenkaandrijving voor dekkranen |
S Series Planetary Slewing Drive Gearbox Maintenance
- Regular Visual Inspections
Conduct routine visual examinations of the S series planetary slewing drive gearbox to identify signs of wear, corrosion, or leaks in seals and housings, ensuring early detection of potential issues that could compromise performance in applications like cranes and excavators, thereby preventing costly downtime and extending operational lifespan. - Proper Lubrication Management
Maintain optimal lubrication by regularly checking oil levels and quality, replacing lubricants according to manufacturer schedules to reduce friction and heat buildup, which is essential for sustaining the gearbox's efficiency and reliability under heavy loads in industrial environments such as forestry machinery. - Temperature Monitoring
Continuously monitor the operating temperature of the gearbox to ensure it remains within specified limits, as excessive heat can indicate overloading or insufficient lubrication, allowing for timely interventions that preserve component integrity and enhance safety in high-demand operations like wind turbine systems. - Noise and Vibration Analysis
Listen for unusual noises and measure vibrations during operation, addressing any anomalies promptly through diagnostic tools to prevent escalation into major failures, thereby maintaining smooth rotational control and prolonging the service life of the slewing drive in excavators and marine equipment. - Alignment and Mounting Verification
Verify proper alignment and secure mounting of the gearbox to avoid misalignment-induced stress on planetary gears, conducting periodic checks to ensure compatibility with hydraulic motors and structural integrity, which is critical for optimal performance in solar tracking devices and construction cranes. - Cleaning and Seal Maintenance
Perform thorough cleaning to remove dust, debris, and contaminants from the gearbox exterior and internals, while inspecting and replacing seals as needed to prevent ingress of moisture or particles, ensuring long-term durability and efficiency in harsh conditions encountered in forestry and offshore applications.

Extra informatie
| Bewerkt door | Yjx |
|---|








