Planetary Winch Drive Gearbox for Forestry & Logging Winch

A planetary winch drive gearbox for forestry and logging winches is a specialized mechanical system that integrates planetary gear technology to deliver high torque output in a compact, robust design. It functions by reducing the input speed from a hydraulic or electric motor while significantly amplifying torque, enabling efficient cable pulling and load handling in demanding outdoor environments. This planetary gearbox typically features multiple planetary stages arranged around a central sun gear, with ring gears and carriers that distribute forces evenly, ensuring durability under heavy loads such as timber extraction or skidding operations.

A planetary winch drive gearbox for forestry and logging winches is a specialized mechanical system that integrates planetary gear technology to deliver high torque output in a compact, robust design. It functions by reducing the input speed from a hydraulic or electric motor while significantly amplifying torque, enabling efficient cable pulling and load handling in demanding outdoor environments. This planetary gearbox typically features multiple planetary stages arranged around a central sun gear, with ring gears and carriers that distribute forces evenly, ensuring durability under heavy loads such as timber extraction or skidding operations.

In forestry and logging applications, it provides reliable performance for winches mounted on tractors, skidders, or harvesters, offering advantages like high efficiency, low backlash, and resistance to shock loads from uneven terrain or sudden stops.

Planetary Winch Drive for Forestry & Logging Winch

Planetary Winch Drive Gearbox Dimensions

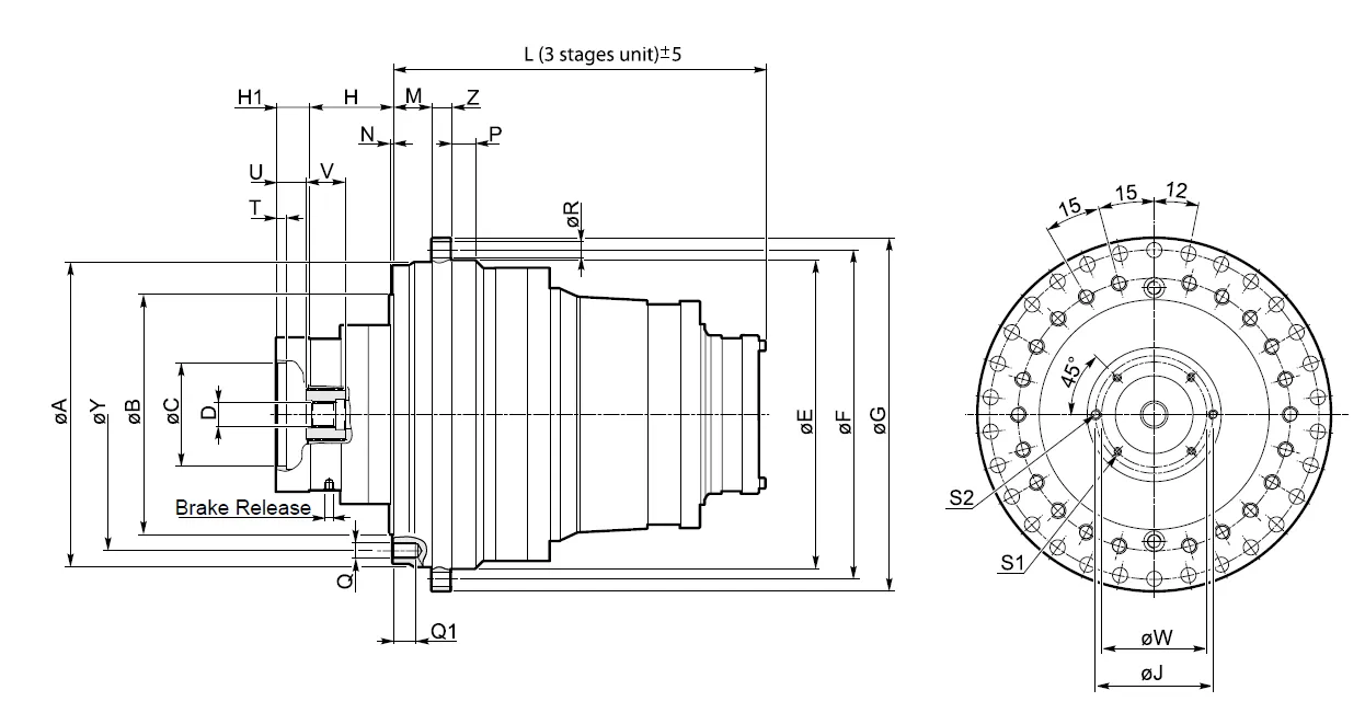
Planetary Winch Drive Dimensions General Dimensions

TypeABEFGHLMNPQQ1RYZ
WD 1023290200 f7295 f73203489938340541M16 (16)24Ø17 (18)25520
WD 1523328230 f7335 f73683986841437534M16 (22)24Ø17 (24)28023
WD 2003355270 f7366 f739442457,5424.537545M16 (22)24Ø17 (24)32023
WD 2523394300 f7402 f74244508146250553M20 (22)30Ø14.5 (36)35025
WD 3003432330 f7436 f746549587,547750560M20 (22)30Ø19 (30)39025
WD 4803470355 f7476 f750854512857560538M24 (22)34Ø24 (24)42030
WD 8003530430 f7544 f7578618129,568855545M24 (22)36Ø24 (30)48035
WD 16004*615515 h7640 h769075012996611059M30 (24)52Ø33 (24)56530

* Motor adapter on demand

Input Dimensions

CDH1TUVWS1JS2
Input SAE B101.6 H8DP16/32 Z132010737127n°4 M12146n°2 M14
Input SAE C127 F8DP12/24 Z1430151656162n°4 M12181n°2 M16
Input SAE D152.4 F8DP8/16 Z1340152875229n°4 M20//

Planetary Winch Drive Dimensions

WDD General Dimensions

TypeABCDEFGHILMN
WDD A75285741510.58599451175200225341255
WDD B100315792012.59368494200230260392280
WDD C1303557920139358514200230260416320
WDD D15538594201711081554230260290443350
WDD E19042599252113587.5592.5260310360490390
WDD F230460118.53021139.560678260310360540420
WDD G300530118.5302114761780.5300350400610480
PQRSTUV     Lmin     YZ
200359N°16-M163220°20°1173205605
230412N°22-M163215°15°1323506305
270438N°22-M163215°15°1523706905
300467N°22-M203515°15°1683857205
330516N°22-M203515°15°1843907905
355568N°22-M243515°15°195.54658655
430640N°22-M243515°15°2335609805

WDD Performances

[daN][mm]
WDD A75750018
WDD B1001000020
WDD C1301300022
WDD D1551550024
WDD E1901900026
WDD F2302300028
WDD G3003000032

WD Performances

Size  i
e
T2 fem
[Nm]
Td-max
[Nm]
Ts-max
[Nm]
n1-max [RPM]
WD 102352.831810026900334003100
62.551810026900334003100
74.031810026900334003100
78.701810026900334003100
93.091810026900334003100
108.451810026900334003100
111.151810026900334003100
117.001810026900334003100
131.401810026900334003100
136.271810026900334003100
165.051810026900334003100
WD 152351.462610043200600003100
60.162620043200600003100
71.212630043200600003100
74.112630043200600003100
76.712630043200600003100
87.672630043200600003100
89.612635043200600003100
104.332635043200600003100
108.292490043200600003100
110.272640043200600003100
126.422640043200600003100
128.352640043200600003100
155.482650043200600003100
WD 200348.163380057900800003100
56.313350057900800003100
57.033400057900800003100
66.663380057900800003100
69.383300057900800003100
 71.823410057900800003100
82.093300057900800003100
83.903365057900800003100
97.703365057900800003100
103.263300057900800003100
120.213300057900800003100
145.623300057900800003100
WD 252350.2944050728001050003100
58.8244200728001050003100
59.5544200728001050003100
69.6244300728001050003100
72.4444300728001050003100
75.044350728001050003100
85.7044350728001050003100
 87.3444450728001050003100
97.9942450728001050003100
102.0244500728001050003100
105.8644500728001050003100
107.7944500728001050003100
123.6244500728001050003100
125.4844600728001050003100
152.0044600728001050003100
WD 300349.7548200947001365003100
58.1948250947001365003100
68.0247620947001337003100
71.6648200947001365003100
81.9748200947001365003100
 83.7448250947001337003100
95.7547900947001337003100
96.7048400947001365003100
103.0446800906001212003100
112.9447600947001337003100
117.7946800906001212003100
138.8846800906001212003100
WD 480351.99698501233001600003100
61.55693501233001600003100
71.58837501233001685003100
77.49675001233001600003100
84.68840001233001685003100
90.26666501233001600003100
106.51841001233001685003100
109.39520001032001600003100
123.99840001233001685003100
150.20700001233001685003100
WD 800356.01252501972003120003100
65.451254001972003120003100
73.11220001972003120003100
85.41227001972003120003100
92.171255001972002981003100
105.081230001972003120003100
108.711250001843003045003100
120.121229001972003120003100
126.50965001745002216003100
141.631223001972003120003100
170.43968001745002216003100
WD 160042002270003170003530003100
233,382238003170003530003100
274,312333003170003530003100
3202325003170003530003100
 370,132190003170003530003100
393,122333003170003530003100
431,732190003170003530003100
528,912335003170003530003100
605,672192003170003530003100
713,352192003170003530003100

Planetary Winch Drive Dimensions

Bearing Load Capacity

TypeC0  [N]Cd  [N]Z [mm]
WD 102033000018300017.5
WD 152043500022400019.7
WD 200043500022400025.2
WD 252062000031500021
WD 300062000031500020.75
WD 480080000039000013.25
WD 800084000040500014.5
WD 1600014700070000013.5

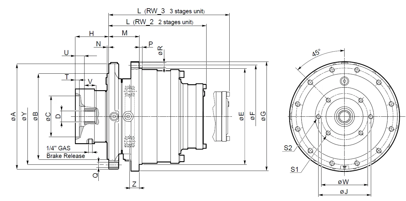
Planetary Winch Drive Dimensions

General Dimensions

TypeABEFGLMNPQRYZ
RW 512262215 f7246 f7271291246.5751110n° 12 M12n° 12 Ø1324020
RW 513262215 f7246 f7271291289.5751110n° 12 M12n° 12 Ø1324020
RW 612262215 f7246 f7271291251751110n° 12 M12n° 12 Ø1324020
RW 613262215 f7246 f7271291293751110n° 12 M12n° 12 Ø1324020
RW 812330270 f7297 f7327352305100612n° 12 M16n° 12 Ø1730026.5
RW 813330270 f7297 f7327352348.5100612n° 12 M16n° 12 Ø1730026.5
RW 1022330270 f7297 f7327352340100612n° 12 M16n° 12 Ø1730026.5
RW 1023330270 f7297 f7327352395.5100612n° 12 M16n° 12 Ø1730026.5
RW 1532393320 f7352 f7383408363113611n° 12-M20n° 16 Ø1736034.5
RW 2522393320 f7415 f7448473413115624n° 16 M20n° 24 Ø1736029.5

Input Dimensions

CDHTUVWS1JS2
Input SAE B101.6 H8DP16/32 Z1313810830127n° 4 M12146n° 2 M14
Input SAE C127 F8DP12/24 Z14114151648162n° 4 M12181n° 2 M16
Input SAE D152.5 F8DP8/16 Z13128153347229n° 4 M20//

Weight and Oil Quantity

Weight [kg]Oil Quantity [litri - liters]
RW 512752
RW 513852.3
RW 612902.3
RW 6131002.5
RW 8121303
RW 8131403.5
RW 10221454
RW 10231554.2
RW 15321955
RW 25222757

Planetary Winch Drive Dimensions

Bearing Load

TypeC0  [N]Cd  [N]Z [mm]
RW 512 - RW 513655007280020
RW 612 - RW 613655007280020
RW 812 - RW  81310000010600026.5
RW 1022 - RW 102310000010600026.5
RW 153212500012500034.5
RW 252214300039000029.5

Benefits of Planetary Winch Drive for Forestry & Logging Winch

1. High Torque Output in a Compact Design
Planetary winch drives are engineered to deliver exceptional torque while maintaining a compact and lightweight design. This makes them ideal for forestry and logging operations, where powerful pulling capabilities are needed in tight spaces. Their efficient torque amplification ensures reliable performance for heavy-duty tasks like timber extraction.

2. Enhanced Durability for Extreme Loads
The robust construction of planetary winch drives allows them to handle extreme loads and harsh conditions. With evenly distributed forces across multiple planetary gears, these gearboxes minimize wear and tear, ensuring long-lasting operation even under constant heavy use, such as skidding or dragging large logs.

3. High Efficiency for Energy Savings
Planetary gear systems are known for their high efficiency, transmitting power with minimal energy loss. This efficiency reduces the workload on hydraulic or electric motors, leading to lower energy consumption, reduced operational costs, and improved overall performance in demanding forestry environments.

4. Resistance to Shock Loads and Uneven Terrain
Forestry and logging often involve challenging terrains and sudden load changes. Planetary winch drives are designed to withstand shock loads and vibrations from uneven surfaces or abrupt stops, ensuring smooth and reliable operation even in unpredictable conditions, which minimizes downtime and maintenance needs.

5. Low Backlash for Precise Control
The low backlash characteristic of planetary winch drives allows for precise control over winching operations. This ensures smooth cable handling and accurate positioning, which is crucial for delicate tasks like skidding logs through narrow forestry paths or handling timber in restricted spaces.

6. Versatility Across Forestry Applications
Planetary winch drives are highly versatile and can be used with a wide range of forestry equipment, such as skidders, harvesters, and tractors. Their adaptability to different machinery and tasks makes them a preferred choice for logging professionals seeking reliable and consistent performance in diverse applications.

Planetary Winch Drive Gearbox for Forestry & Logging Winch

Planetary Winch Drive Gearbox Applications

1. Forestry and Logging
Planetary winch drive gearboxes are indispensable in forestry and logging operations. They power winches used for timber extraction, skidding, and loading logs onto transport vehicles. Their high torque and durability ensure efficient performance in rugged outdoor environments, even under extreme loads and challenging terrain conditions.

2. Construction and Heavy Equipment
In the construction industry, planetary winch drives are widely used in cranes, hoists, and excavators. These gearboxes provide the power needed to lift and move heavy building materials. Their compact design and high efficiency make them ideal for construction sites with limited space and demanding workloads.

3. Marine and Offshore Applications
Planetary winch drive gearboxes play a critical role in marine and offshore industries, powering mooring winches, anchor handling systems, and deck machinery. Their corrosion-resistant materials and ability to withstand harsh sea conditions ensure reliable operation during activities like ship docking, towing, and offshore platform maintenance.

4. Mining and Drilling
The mining and drilling industries rely on planetary winch drives for equipment such as draglines, drilling rigs, and conveyor systems. These gearboxes deliver high torque output needed to operate under extreme pressures and heavy loads, ensuring dependable performance in underground and surface mining operations.

5. Oil and Gas Industry
Planetary winch drive gearboxes are essential in the oil and gas sector for tasks like pipeline installation, rigging, and drilling. Their ability to handle shock loads, operate efficiently in high-pressure environments, and resist wear and tear makes them a reliable component in this demanding industry.

6. Industrial Material Handling
In industrial settings, planetary winch drives are used in material handling systems such as conveyor belts, gantry cranes, and automated lifting equipment. Their precise control and low backlash enhance efficiency and safety, making them vital for transporting heavy machinery, goods, or raw materials across facilities.

Planetary Winch Drive for Marine and Offshore IndustryPlanetary Winch Drive for Forestry and Logging Industry
Marine and Offshore Industry Forestry and Logging Industry
Planetary Winch Drive for Oil and Gas IndustryPlanetary Winch Drive for Construction Industry
Oil and Gas IndustryConstruction Industry

Winch Drive Planetary Gearbox Installation Steps

1. Inspect the Gearbox and Components
Before installation, inspect the planetary gearbox and all associated components for damage, wear, or missing parts. Verify that the gearbox specifications match the winch system requirements, ensuring compatibility with the hydraulic or electric motor and the intended forestry or logging application.

2. Prepare the Mounting Surface
Clean and level the mounting surface where the gearbox will be installed. Ensure the surface is free of debris, oil, or rust to avoid misalignment or instability. Proper surface preparation ensures a secure fit and reduces risks of vibrations during winching operations.

3. Align the Gearbox with the Winch System
Carefully align the planetary gearbox with the winch drum and input shaft. Use alignment tools to ensure precision, as improper alignment can lead to premature wear or reduced efficiency. Secure the gearbox in place temporarily to confirm proper alignment before tightening bolts.

4. Secure Mounting Bolts and Fasteners
Attach the gearbox firmly to its mount using high-quality bolts and fasteners. Tighten all bolts in a crisscross pattern to evenly distribute tension and prevent misalignment. Follow the torque specifications provided by the manufacturer to ensure the gearbox remains stable under heavy loads.

5. Connect the Input and Output Shafts
Attach the input shaft of the gearbox to the hydraulic or electric motor and the output shaft to the winch drum. Use couplings or flanges designed for the specific application. Ensure connections are tight and properly lubricated to minimize friction and extend the system's lifespan.

6. Test the System and Perform Adjustments
After installation, test the winch system under no-load conditions to check for smooth operation. Verify that the gearbox operates efficiently, with no unusual noises or vibrations. Make necessary adjustments to alignment, lubrication, or tension before using the system for forestry or logging tasks.

Winch Drive Planetary Gearbox for Forestry & Logging Winch

Additional information

Edited by

Yjx