PGV035 Reducer Roda Gigi Cacing untuk Sistem Pemberian Pakan Otomatis Unggas
Reducer roda gigi cacing PGV035 adalah gearbox khusus yang dirancang untuk digunakan dalam sistem pemberian pakan unggas otomatis dan aplikasi peternakan lainnya. Gearbox cacing seri PGV035 menonjol karena konstruksinya yang kokoh, keandalan, dan efisiensinya. Gearbox ini memiliki kelas perlindungan tinggi, memastikan daya tahan dan ketahanan terhadap kondisi yang keras, seperti debu dan kelembapan yang umum ditemukan di fasilitas pertanian. Gearbox cacing untuk pemberian pakan unggas ini kompatibel dengan motor mulai dari 0,25 kW hingga 0,75 kW, menawarkan fleksibilitas untuk memenuhi berbagai kebutuhan operasional.
Reducer roda gigi cacing PGV035 adalah gearbox khusus yang dirancang untuk digunakan dalam sistem pemberian pakan unggas otomatis dan aplikasi peternakan lainnya. Gearbox cacing seri PGV035 menonjol karena konstruksinya yang kokoh, keandalan, dan efisiensinya. Reducer roda gigi cacing ini dirancang untuk menyederhanakan pemasangan, mengurangi kebisingan operasional, dan memberikan masa pakai yang lebih lama, sehingga ideal untuk lingkungan pertanian yang berkelanjutan dan menuntut.
Gearbox pengumpan unggas ini memiliki kelas perlindungan tinggi, memastikan daya tahan dan ketahanan terhadap kondisi keras, seperti debu dan kelembapan yang umum ditemukan di fasilitas peternakan. Gearbox ini kompatibel dengan motor mulai dari 0,25 kW hingga 0,75 kW, menawarkan fleksibilitas untuk memenuhi berbagai kebutuhan operasional. Selain itu, gearbox ini dilengkapi dengan flensa yang dapat disesuaikan, memungkinkan integrasi yang mulus dengan berbagai sistem. Desainnya yang ringkas dan kinerja yang tenang berkontribusi pada solusi yang efisien dan minim perawatan untuk operasi pemberian pakan otomatis, meningkatkan produktivitas dan kesejahteraan hewan.

Spesifikasi Gearbox Cacing PGV035 untuk Sistem Pemberian Pakan Unggas
| PGV | 035 | 4.75 | U | P80B14 | 01 | 0,25 kW | 4P | 3ph | Tegangan 220V/380V | 50Hz | T1 |
|---|---|---|---|---|---|---|---|---|---|---|---|
| Jenis | Model | Kecepatan | Pengaturan | IEC | Poros keluaran | Kekuatan | Jumlah tiang | Arus bolak-balik tiga fasa | Voltase | Frekuensi | Instalasi |
| PGV | 035 | 1.56 | U U1 U2 U3 | 63 71 80 | 01 02 ... | 0.25 0.37 0.55 | 2P 4P 6P 8P | 3ph | 220V 380V | 50Hz 60Hz | ![]() |
| 2.0 | |||||||||||
| 2.45 | |||||||||||
| 2.83 | |||||||||||
| 3.31 | |||||||||||
| 3.6 | |||||||||||
| 3.93 | |||||||||||
| 4.75 | |||||||||||
| 5.09 | |||||||||||
| 6.67 | |||||||||||
| 7.63 |
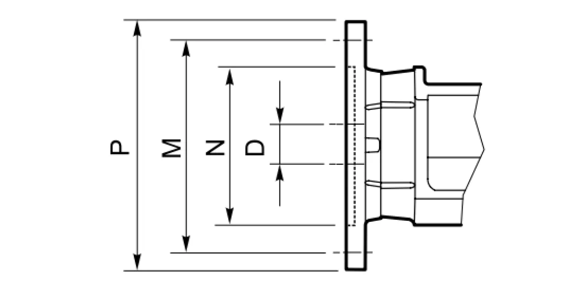
Dimensi Flensa

| PGV035 | IEC | N | M | P | D | SAYA | ||||||||||
|---|---|---|---|---|---|---|---|---|---|---|---|---|---|---|---|---|
| 1.56 | 2.00 | 2.45 | 2.83 | 3.31 | 3.60 | 3.93 | 4.75 | 5.09 | 6.67 | 7.63 | ||||||
| 90B5 | 130 | 165 | 200 | 24 | ||||||||||||
| 90B14 | 95 | 115 | 140 | |||||||||||||
| 80B5 | 130 | 165 | 200 | 19 | ||||||||||||
| 80B14 | 80 | 100 | 120 | |||||||||||||
| 70B5 | 110 | 130 | 160 | 14 | ||||||||||||
| 70B14 | 70 | 85 | 105 | |||||||||||||
| 63B5 | 140 | 115 | 95 | 11 | B | |||||||||||
| 63B14 | 60 | 75 | 90 | |||||||||||||
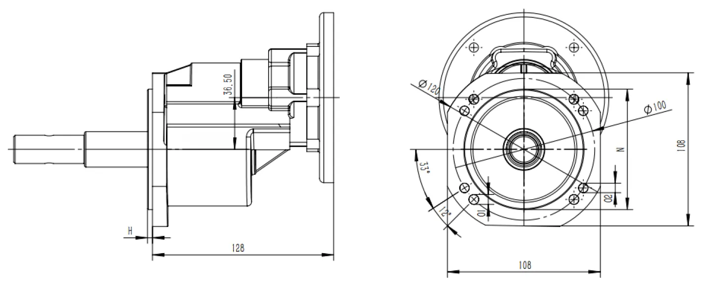
Dimensi Keluaran

| Model Produk | N h7 | H | 01 | 02 | |
|---|---|---|---|---|---|
| PGV035 | U | 80 | 3.5 | 4-φ7 | 4-M8 |
| U1 | 85 | 3.5 | 4-M8 | 4-φ7 | |
| U2 | 80 | 3.5 | 4-M8 | 4-M8 | |
| U3 | 80 | 3.5 | 4-φ9 | 4-φ7 | |
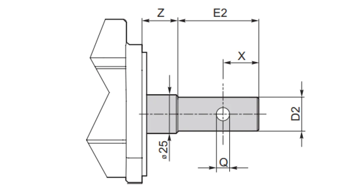
Spesifikasi Poros Keluaran

| Ukuran | D2 | E2 | X | Z | Q | C | |
|---|---|---|---|---|---|---|---|
| PGV035 U | 01 | 20 | 50 | 35 | 48 | 6 | - |
| 02 | 20 | 40 | 35 | 38 | 6 | - | |
| 03 | 20 | 60 | 35 | 28 | 6 | M6 | |
| 04 | 20 | 70 | 35 | 28 | 6 | M6 | |
Fitur-fitur Gearbox PGV035 untuk Sistem Pemberian Pakan Otomatis pada Peternakan Unggas
1. Struktur Kompak dan Perakitan Sederhana
Gearbox peternakan unggas PGV035 dirancang dengan struktur yang ringkas dan hemat ruang, sehingga dapat terpasang dengan mudah di ruang sempit atau terbatas pada sistem pemberian pakan unggas. Proses perakitannya yang sederhana memungkinkan pemasangan yang cepat, mengurangi waktu kerja dan memastikan gangguan minimal pada alur kerja operasional, sehingga sangat efisien untuk penggunaan di peternakan.
2. Rentang Kecepatan Luas dan Torsi Tinggi
Gearbox pengumpan unggas peternakan ini menawarkan berbagai pilihan kecepatan, sehingga dapat disesuaikan dengan berbagai kebutuhan pemberian pakan. Gearbox ini juga memberikan output torsi tinggi, memastikan transmisi daya yang andal bahkan di bawah beban berat. Fitur ini meningkatkan fleksibilitas dan kinerjanya dalam sistem pemberian pakan otomatis, mendukung pengoperasian yang konsisten dan lancar.
3. Tingkat Kebisingan Rendah, Kinerja Penyegelan yang Baik, dan Efisiensi Tinggi
Gearbox unggas PGV035 beroperasi dengan kebisingan minimal, menciptakan lingkungan yang lebih tenang bagi unggas dan pekerja. Kinerja penyegelannya yang sangat baik mencegah kontaminasi dari debu, air, dan sisa pakan, memastikan daya tahan jangka panjang. Selain itu, gearbox ini memberikan efisiensi mekanis yang tinggi, mengoptimalkan konsumsi energi dan mengurangi biaya operasional untuk peternakan.
4. Stabil dan Aman, Masa Pakai Panjang, Aplikasi Universal
Dibuat dengan material berkualitas tinggi dan rekayasa presisi, gearbox pemberian pakan unggas PGV035 memastikan pengoperasian yang stabil dan aman dalam kondisi peternakan yang menuntut. Masa pakainya yang lebih lama mengurangi kebutuhan penggantian yang sering. Desain universalnya membuatnya kompatibel dengan berbagai sistem pemberian pakan otomatis, memberikan solusi yang andal untuk beragam pengaturan peternakan hewan.
5. Desain Multi-Struktur untuk Fleksibilitas
Gearbox sistem pemberian pakan unggas tersedia dalam berbagai ukuran dan konfigurasi untuk memenuhi berbagai kebutuhan operasional. Desain multi-struktur ini memberikan fleksibilitas untuk integrasi ke dalam sistem pemberian pakan baru atau yang sudah ada. Kemampuan adaptasinya memastikan bahwa gearbox ini dapat memenuhi berbagai kebutuhan peternakan dengan berbagai ukuran dan skala.
6. Berbagai Metode Perakitan untuk Fleksibilitas
Motor penggerak roda gigi cacing untuk pemberian pakan unggas PGV035 mendukung berbagai metode perakitan, memungkinkan pengguna untuk mengkonfigurasinya berdasarkan tata letak sistem tertentu. Fleksibilitas ini menyederhanakan pemasangan, baik dalam pengaturan horizontal, vertikal, maupun miring. Desainnya memastikan kompatibilitas dengan berbagai konfigurasi, menawarkan kenyamanan dan kemudahan penggunaan bagi peternak unggas.

Aplikasi Gearbox Sistem Pemberian Pakan Unggas PGV035
1. Sistem Pemberian Pakan Unggas Otomatis
Gearbox PGV035 untuk peternakan unggas banyak digunakan dalam sistem pemberian pakan otomatis untuk peternakan unggas. Gearbox ini memastikan transmisi daya yang konsisten dan efisien ke jalur pemberian pakan, sehingga memungkinkan distribusi pakan yang seragam. Hal ini meningkatkan kesehatan unggas, mengurangi pemborosan pakan, dan menyederhanakan proses pemberian pakan untuk meningkatkan produktivitas peternakan.
2. Peternakan Induk Ayam Broiler dan Petelur
Dirancang untuk keserbagunaan, gearbox peternakan unggas ini cocok untuk peternakan ayam broiler dan ayam petelur. Gearbox ini beroperasi dengan andal di bawah berbagai sistem manajemen unggas, menangani kebutuhan unik dari setiap jenis unggas. Baik untuk ayam broiler yang tumbuh cepat maupun ayam petelur, gearbox ini memastikan kinerja sistem pemberian pakan yang stabil.
3. Sistem Transportasi dan Pengiriman Pakan
Gearbox pengumpan unggas sangat ideal untuk menggerakkan mekanisme pengangkutan pakan, seperti sekrup pengumpan atau konveyor, memastikan pergerakan pakan yang lancar dan tanpa gangguan. Kapasitas torsinya yang tinggi memungkinkan gearbox ini untuk menangani beban berat, mendukung pengiriman pakan yang efisien dalam jarak jauh pada operasi peternakan unggas skala besar.
4. Integrasi Sistem Minum Otomatis
Motor roda gigi cacing PGV035 untuk peternakan unggas juga dapat terintegrasi dengan mulus dengan sistem minum otomatis. Dengan menggerakkan komponen seperti pengatur ketinggian air atau mekanisme pengangkatan, motor ini memastikan pengoperasian sistem pemberian pakan dan minum yang sinkron. Hal ini berkontribusi pada akses air dan pakan yang lebih baik, meningkatkan kesejahteraan hewan dan efisiensi peternakan secara keseluruhan.
5. Sistem Pengendalian Lingkungan di Kandang Unggas
Di peternakan unggas modern, sistem pengendalian lingkungan seringkali mencakup mekanisme seperti ventilasi tirai atau perangkat pengatur suhu. Reducer roda gigi cacing PGV035 untuk sistem pakan unggas dapat digunakan untuk menggerakkan sistem ini, memastikan kondisi lingkungan yang optimal. Hal ini membantu menjaga kesehatan dan produktivitas kawanan unggas di berbagai iklim.
6. Dapat Disesuaikan untuk Ternak Campuran
Gearbox sistem pemberian pakan unggas tidak terbatas hanya pada unggas saja; alat ini juga dapat diaplikasikan pada peternakan campuran. Gearbox ini dapat beradaptasi dengan berbagai sistem pemberian pakan untuk hewan lain, seperti babi atau bebek, sehingga memberikan solusi yang dapat disesuaikan dan universal. Kemampuan adaptasinya memastikan efektivitas biaya untuk peternakan multi-spesies.
![]() | ![]() |
Rantai Konveyor Pakan untuk Sistem Pemberian Pakan Otomatis Unggas
Rantai konveyor pakan adalah jenis rantai konveyor pakan yang paling andal. Rantai ini dapat memberi makan secara merata, cepat, dan andal selama proses pemberian pakan, yang memainkan peran penting dalam peternakan. Rantai pakan ayam premium kami diproduksi dari baja berkualitas tinggi dan dibentuk melalui proses pencetakan presisi canggih untuk meningkatkan kinerja dan fungsionalitas secara keseluruhan. Rantai pakan ayam adalah metode paling andal untuk konveyor pakan yang mendistribusikan pakan secara merata dan cepat selama seluruh proses pemberian pakan. Pemberian pakan sangat penting dalam peternakan, sehingga penggunaan rantai pakan ayam berkualitas tinggi sangatlah penting. Harap dicatat bahwa kami hanya memasok rantai pakan ayam dalam jumlah besar; untuk harga dan ketersediaan, silakan hubungi tim layanan pelanggan kami, dan kami akan dengan senang hati membantu Anda!

Dimensi Rantai Konveyor Pengumpan

| Nomor Rantai | Melempar | Lebar pelat | Ketebalan pelat | Kekuatan tarik maksimum | Berat per meter |
| P | H | T | Q | Q | |
| mm | mm | mm | kN | kg/m | |
| Rantai Pengumpan Unggas LX42.4 | 42.40 | 70.40 | 2,5±0,15 | 13.50 | 1.10 |
Aplikasi Rantai Konveyor Pakan Unggas
1. Sistem Peralatan Kandang
Rantai konveyor pakan unggas sangat penting dalam sistem peralatan kandang, memastikan pengiriman pakan yang efisien ke unggas dalam kandang. Rantai ini menyederhanakan proses pemberian pakan, mengurangi upaya tenaga kerja dan mencegah tumpahan pakan. Daya tahan dan presisinya memungkinkan distribusi pakan yang konsisten, mendukung kesehatan dan pertumbuhan unggas di dalam ruang terbatas.
2. Pabrik Pengolahan Pakan Ternak
Di pabrik pengolahan pakan, rantai konveyor sangat penting untuk mengangkut bahan baku dan produk pakan jadi. Rantai ini memastikan pergerakan yang lancar dan berkelanjutan melalui berbagai tahapan, seperti pencampuran, penggilingan, dan pengemasan. Konstruksinya yang kokoh dan kapasitas beban yang tinggi meningkatkan efisiensi operasional dan mengurangi waktu henti, memenuhi tuntutan produksi skala besar.
3. Peternakan Ayam
Peternakan ayam mengandalkan rantai konveyor pakan untuk mengotomatiskan pengiriman pakan di sepanjang jalur pemberian pakan. Rantai ini memastikan distribusi pakan yang seragam, membantu menjaga kesehatan dan produktivitas kawanan ayam. Kemampuannya untuk berfungsi dalam berbagai tata letak peternakan memberikan fleksibilitas, sementara kebutuhan perawatannya yang rendah mengurangi biaya operasional bagi peternak.
4. Basis Pembiakan
Di fasilitas pembibitan, rantai konveyor memainkan peran penting dalam memasok pakan ke unggas indukan, memastikan nutrisi yang konsisten untuk reproduksi yang optimal. Rantai ini dirancang untuk menangani tuntutan tinggi dari fasilitas pembibitan, memberikan kinerja yang andal. Kemampuan adaptasinya memastikan kompatibilitas dengan peralatan pembibitan khusus, mendukung pengelolaan stok indukan yang efisien.
![]() | ![]() |
| Peralatan Kandang | Pabrik Pengolahan Pakan Ternak |
![]() | ![]() |
| Peternakan ayam | Basis Pembiakan |
Informasi Tambahan
| Diedit oleh | Yjx |
|---|











